Home / News

News

Quae sunt communes causae damni ad motorcycle cathenam

Quae sunt communes causae damni ad motorcycle cathenam

Motorcycle Chain , ut vis transmissionis communis notae, arcu hyperbolico "catenae" utitur consilio ad frictionem reducendam. Ponitur in loci...

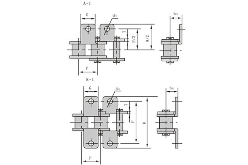
Quid sunt partes Rollerus catenae

Quid sunt partes Rollerus catenae

Quae sunt partes Roller Chain ? 1. PIN scapi: tenue cylindricum elementum ut axis rotationis catenae cardo. 2. pa...

Coegi vinculum Nulla inducit relationem inter catenam et Sprocket

Coegi vinculum Nulla inducit relationem inter catenam et Sprocket

Drive Chain Manufacturers introducerunt sphocki catena acti, et exemplar unitatis Anglice generaliter est. Unus ordo est, duplex ordo, ...

Chain Manufacturer agriculturae Praeparatio Catenae introducit

Chain Manufacturer agriculturae Praeparatio Catenae introducit

Chain agriculturae opificem inducit catenam parandam esse ad reprimendam num cocleae sint in catena ante initium et partes structurae s...

Catenae tradendae Manufacturer Introduces quam tenere Catenam

Catenae tradendae Manufacturer Introduces quam tenere Catenam

Cum catenae curationis anti-rubiginis ad processum operationis solvendum subiecta est, primum crustulum conditum in superficie eius detergere ne...

Cur Folium Chain habere problemata communia Deviationis

Cur Folium Chain habere problemata communia Deviationis

Cum trend progressionis continua in campo catenae ferreae immaculatae, catena ferrea incorrupta producta etiam late adhibita est. Inter eos etia...

Cotidiana Sustentationem Details of Industrial Catenam

Cotidiana Sustentationem Details of Industrial Catenam

Vinculum industrialis is commoda et quotidiana sustentatio retinet; 1. Si catena de directione coegi est, hastil...

Silens catenam Manufacturers Introduces quomodo agere errori Diver Sprocket Recte

Silens catenam Manufacturers Introduces quomodo agere errori Diver Sprocket Recte

Silens Catena Manufacturers inducit quomodo agam cum errore spockete ferro immaculati? Observa motum horizontalem tympa...

Motorcycle Chain Manufacturers Introduces Communia Troubleshooting Methodi Sprocket

Motorcycle Chain Manufacturers Introduces Communia Troubleshooting Methodi Sprocket

Motorcycle Chain Communes fermentum methodos sprockete artifices introducit: 1. Ratio inaequalis ferens capacitatem fer...

Rollerus Chain Manufacturers inducit quomodo recte tractet errores sprocketi

Rollerus Chain Manufacturers inducit quomodo recte tractet errores sprocketi

Cum ferrum immaculatum spocket errorem habet, non debet solvere. Sequamur Roller Chain Manufacturers ut recte sprocket contrectare er...

Coegi vinculum Nulla Introduces Quam Celeriter Remove Laesis Sprocket Bearings

Coegi vinculum Nulla Introduces Quam Celeriter Remove Laesis Sprocket Bearings

Drive Chain Artificia introducta sunt quomodo gestus scopuli laedi cito removeant; 1. Paulatim galeros et stratas cylindri g...

Catena agriculturae Manufacturer Introduces Methodum eligendi Vincula

Catena agriculturae Manufacturer Introduces Methodum eligendi Vincula

Chain agriculturae manufacturer inducit modum vinculorum eligendi; Primum omnium, electio est materia catenae ferro immacula...