Home / News

News

Industrial Catenam Nulla Introduces Quomodo Distinguendi Formam Catenae

Industrial Catenam Nulla Introduces Quomodo Distinguendi Formam Catenae

Vecta catena apta est ad coquendam pingendam, metallicam tunicam, ad productionem conventus lineas in officinis, ut officinas supellectiles, off...

Silens Catena Fabrica Introduces Rationabilem Mensurae Methodi ad Vincula

Silens Catena Fabrica Introduces Rationabilem Mensurae Methodi ad Vincula

Does' Silens Catena Fabrica quaenam sunt rationabilis mensurae modi catenarum introducunt? 1. Ad omnem backlash ca...

Motorcycle Chain Manufacturer Introduces Purgatio Methodi Steel Chain

Motorcycle Chain Manufacturer Introduces Purgatio Methodi Steel Chain

Motorcycle Chain Manufacturer catenam chalybem infert immaculatam sicut armorum transmissio universalis. Secundum hyperbolicum arcum "f...

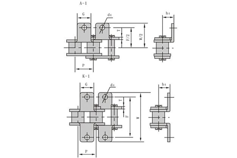
Roller Chain Manufacturers Introduces Principium Dentis Profile Design Sprocket

Roller Chain Manufacturers Introduces Principium Dentis Profile Design Sprocket

Roller Chain Manufacturers rationes sprocket dente profile consilium inducit: 1. Figura sprocketis dentis figura: arcus linea...

Coegi Chain Manufacturers Introduces De Artes Practicae Sprocket

Coegi Chain Manufacturers Introduces De Artes Practicae Sprocket

Drive Chain Manufacturers artes sprocket practicae inducit: 1. Emissiones sprocketae congruere debent. Nimis arta virtus aug...

Cautiones pro Using agriculturae vinculum

Cautiones pro Using agriculturae vinculum

Chain agriculturae Errores possunt rectitudinem motus instrumenti afficere, et in quibusdam casibus, est principale momentum machinæ a...

Quam rite Serena Transmissio Catenae

Quam rite Serena Transmissio Catenae

Potes etiam aqua calida soapy vel manu sanitizer uti, vel dentario abiecto vel paulo duriore penicillo utere. Accende intus stupam protinus aqua. P...

TRADUCTOR Chain Nulla Introduces Quam proprie Tenere Catenam Daily

TRADUCTOR Chain Nulla Introduces Quam proprie Tenere Catenam Daily

Elevatio chalybeis immaculata catena longitudinem catenae aptare potest secundum obiecti elevationis altitudinem. gruis machinam attollens perne...

Industrial Sprocket Manufacturers inducit tractantem Techniques pro catena Carbon deposita

Industrial Sprocket Manufacturers inducit tractantem Techniques pro catena Carbon deposita

Cum vincula chalybea immaculata in apparatu mechanico adhibentur, quaedam sordes necessario adiunguntur, quarum pleraeque sunt carbonis deposita...

Leaf Chain Manufacturers Introduces Cur Catena franget

Leaf Chain Manufacturers Introduces Cur Catena franget

Folium Chain Artificia rationes et solutiones induxerunt quae catenam frangere effecit; 1. In processu usus, propter diuturnu...

Industrial Chain Manufacturers Introduces Characteres High-Quality Vincula

Industrial Chain Manufacturers Introduces Characteres High-Quality Vincula

Catena industrialis Manufacturers notas inducit qualitates GENERALES: 1. Bona fides et tutela. Catena TRADUCTOR special...

Silens vinculum artes Sustentationem

Silens vinculum artes Sustentationem

Vinculum metallicum plerumque est nexus vel anulus, qui plerumque ad transmissionem et tractionem mechanicam adhibetur. Vide sustentationem modi...