Home / News

News

How Does Roller Chain Reduce Generation of Static Electricity?

How Does Roller Chain Reduce Generation of Static Electricity?

Roller Chain similis est catenae piscinae et ex pluribus nexus unitatis componitur. Nexus libere gyrari possunt. Altitudo interior, alt...

Breviter explica cur Rollerus catena corrodatur

Breviter explica cur Rollerus catena corrodatur

Ob opus environment de Roller Chain naturaliter erit aliqua corrosio, ut quae praecipua ratio est ad Rollerus Catenam corrodenda, max...

Coegi Catenam Manufacturer Introduces Cur Catena Lorem tempus Biased

Coegi Catenam Manufacturer Introduces Cur Catena Lorem tempus Biased

Catena transmissio et vectura paulatim errores habent. Etsi non amplissimum, sed temporis cumulum, errores in tradendo aliquos erunt. Quomodo hic e...

Quomodo efficaciter praeveni tradendae catenae ex Malfunctioning

Quomodo efficaciter praeveni tradendae catenae ex Malfunctioning

In productione Catena transmissio si catena deficiat, effectrix solutionem aptissimam invenire debet secundum defectum formae specifi...

Quae sunt communia culpae Conveyor catenae

Quae sunt communia culpae Conveyor catenae

Conveyor Chain late usus est in catenis industrialibus, ut cibus machinis vehens, stercorat apparatus portantium, machinae fodiendae c...

Cautiones pro Folium Chain Sustentationem

Cautiones pro Folium Chain Sustentationem

cum Folium Chain quando catena reducitur inauguratur, necesse est inspicias an catena normaliter operetur et an tensio catenae serrae...

Quam Esse Industrial Sprocket

Quam Esse Industrial Sprocket

In sustentationem Industriae Sprocket adtende ad dentem spéciti. Dens sprocketis figuram curare debet ut catena reticulum intrat et ...

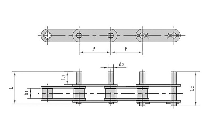
Numerus Rollerus catenae Nexus esto Etiam

Numerus Rollerus catenae Nexus esto Etiam

Roller Chain catenae longitudo per nexuum numerum exprimitur. Numerus vinculorum potius par numerus est, ut cum catenae anulum formant...

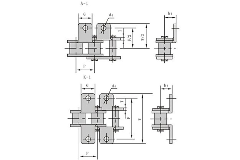
Industrial Sprocket solidus aut locutus Apparatus

Industrial Sprocket solidus aut locutus Apparatus

Industriae Sprocket significat rotam cum fibula dentium cog-typo, quae reticulum ad truncum cum accurata pice in catena vel funiculo l...

Quam tenere Industrial Catenam ad Extendere Officium Vita

Quam tenere Industrial Catenam ad Extendere Officium Vita

Vinculum industrialis dissolutae erunt, vel etiam post diuturnum usum dissolutae, et quomodo tales difficultates impedient? Conte...

Vestigia reponere motorcycle vinculum

Vestigia reponere motorcycle vinculum

Cum the Motorcycle Chain reponendum est, notandum est, catenam et sphæram simul reponendam esse. Novus cathena accelerabit senescente...

Applicationem De agriculturae Chain in agriculturae Automation

Applicationem De agriculturae Chain in agriculturae Automation

Ad vincula industriae, eius utilitas in omnibus vitae spatiis relative magna est. Videri potest nostram productionem ab cooperatione vinculorum ind...